Наконечник кольцевой без изоляции 0.25-1.5-10 Reliance
Наличие: Есть в наличии
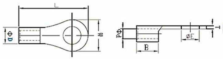
Кабельные наконечники без изоляции под гайку (кольцевые)
• Применяются для оконцовки опрессовкой или пайкой кабеля и проводов;
• Изготовлены из электротехнической меди с покрытием из специального олово-висмутового сплава, которое обеспечивает непревзайденную защиту от коррозии в любых погодных условиях;
• Шов на участке скругления под кабельную жилу пропаян таким образом, что образует единую монолитную структуру;
• Возможен монтаж наконечников методами опрессовки, пайки или комбинированным (соединением методов пайки и опрессовки;
• На внутренне части опрессовочной поверхности имеются внутренние поперечные насечки, которые обеспечивают лучшее качества контакта и опрессовки наконечника с кабелем.

| Наименование | ∅E | ∅D | ∅d | W | B | L | T |
| Наконечник кольцевой 0,25-1,5-10 | 10,4 | 3,4 | 1,7 | 13,6 | 4,5 | 26 | 0,8 |
Написать отзыв
Ваше имя:Ваш отзыв: Примечание: HTML разметка не поддерживается! Используйте обычный текст.
Оценка: Плохо Хорошо
Введите код, указанный на картинке:



-150x150.jpg)









+38(096)339-02-34
+38(095)043-49-45