Шина соединительная (гребенка) PIN 3P 40A (1м)
Наличие: Есть в наличии
Если вам требуется качественная и надежная продукция для подключения сразу нескольких УЗО или дифавтоматов, рекомендуем купить шину медную PIN 3P 40A. Уже по названию можно понять, что данное изделие является штыревым, трехфазным (номинальный ток – 40А). Почему стоит приобрести именно эту модель?
Во-первых, шина 3 фазная отличается универсальностью, а потому ее можно использовать практически для всех видов модульных устройств. Например, с помощью данного изделия можно подключать трехфазные автоматические выключатели, дифференциальные автоматы и выключатели нагрузки. Также она подходит для УЗО и контакторов. А еще шина соединительная 3 х фазная может применяться при выполнении монтажа электрощитов квартир, где такие устройства используют довольно часто.
Во-вторых, эта гребенка отличается отменным качеством, надежностью и обеспечивает безопасное и удобное соединение устройств. А еще она отлично защищает их от дополнительных контактных сопротивлений, предотвращая появление новых мест нагрева токоведущих частей.
В-третьих, шина электротехническая имеет доступную цену, благодаря чему приобретение такого изделия будет по карману многим потребителям (причем как профессиональным электрикам, так и рядовым потребителям).
Расшифровка артикула 3P типа pin 40A:
3P - трехфазный;
PIN - штыревой;
40А - номинальный ток, А.
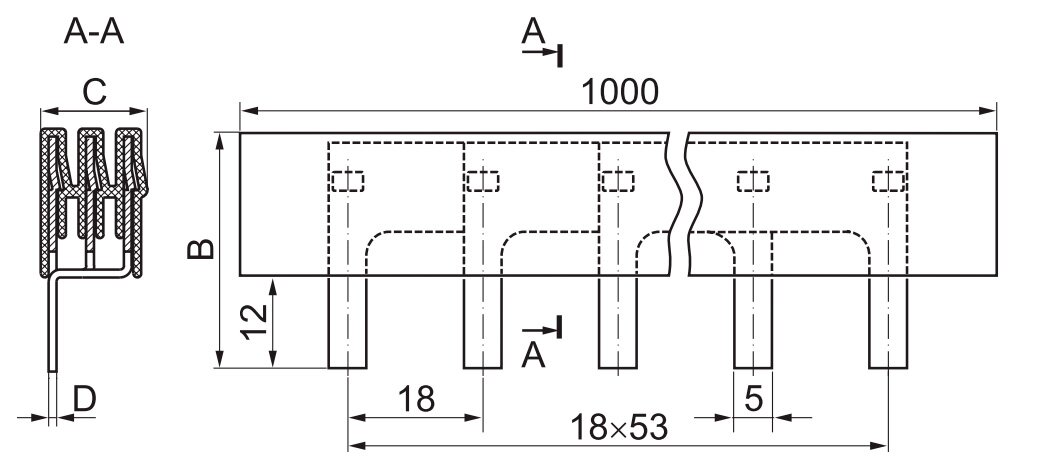
Габаритные размеры:

| Наименование | Кол-во фаз | Номинальный ток, A | Габаритные размеры | |||
| B, мм | C, мм | D, мм | Длина (м) | |||
| PIN 1P 40A | 1 | 40 | 25 | 2.8 | 0.8 | 1 |
| PIN 1P 63A | 1 | 63 | 25 | 3.2 | 1 | 1 |
| PIN 3P 40A | 3 | 40 | 25 | 12 | 0.8 | 1 |
| PIN 3P 63A | 3 | 63 | 31 | 14 | 1 | 1 |
| PIN 3P 100A | 3 | 100 | 38 | 17 | 2 | 1 |
| U (FORK) 1P 40A | 1 | 40 | 25 | 2.8 | 0.8 | 1 |
| U (FORK) 3P 40A | 3 | 40 | 31 | 14 | 0.8 | 1 |
Написать отзыв
Ваше имя:Ваш отзыв: Примечание: HTML разметка не поддерживается! Используйте обычный текст.
Оценка: Плохо Хорошо
Введите код, указанный на картинке:







-150x150.jpg)





+38(096)339-02-34
+38(095)043-49-45